Membranes

The DITF are working on membrane technologies for various applications from protective clothing to construction and environmental technologies.

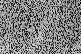
In order to produce novel, cost-effective and mechanically stable membranes for protective clothing, the DITF use meltblow technology in combination with hydroentanglement. In this process, high-performance polymers are used and formed into finest fiber webs. The use of water-jet technology can increase strength by a factor of 2 and ductility by a factor of 5 without affecting the fineness of the pores.

Nature provides raw materials for innovative membranes in construction and environmental technology: At the DITF, intensive work has been carried out for years on membranes made of biopolymers such as cellulose, alginate, chitin and the chitosan derived from it. However, the focus of technological development is not only on the membrane itself. The abrasion-resistant treatment of semi-permeable membranes with cellulose and chitosan is also a promising future. With ionic liquids, the DITF are using a new, ecologically-compatible class of solvents, the "green solvents", for these developments.

The textile and physiological properties of the membranes are specifically controlled by the coagulation conditions. This results in different structures from compact to very open-pored layers.